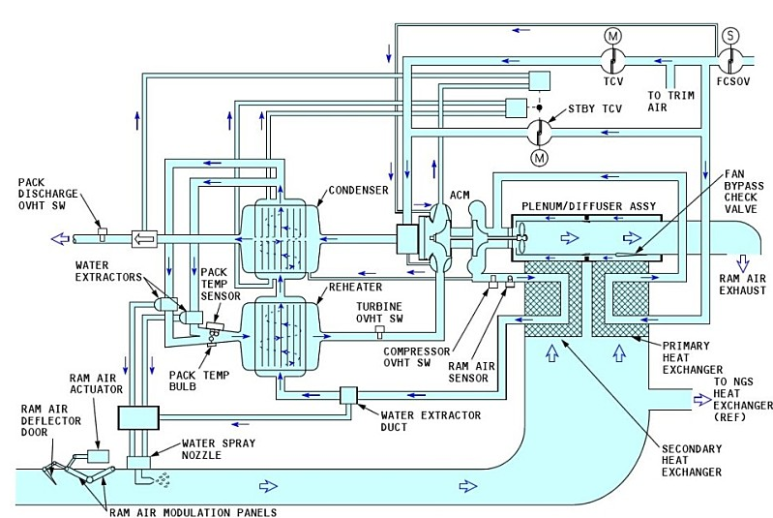
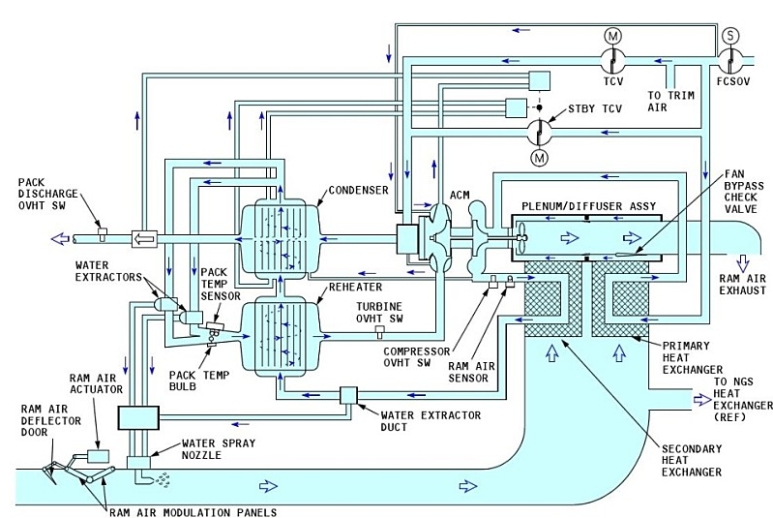
■ Air Conditioning System

※ 공기흐름(Air Flow)
ENG bleed air → Pack V/V(FCSOV) → TCV or SBTCV → Turbine outlet에 유저로 나가는 Temp control → Primary Heat Exchanger(Ram air를 통해 bleed air 냉각) → 압축기 → Secondary Heat Exchanger → Water Extractor Duct → Reheater → Condenser → Water Separator → Reheater → Turbine → Condenser → Mix manifold(Mixer) → FLT COMP(Cockpit), AFT Cabin, FWD Cabin에 공급
- FCSOV(Pack V/V) : Pneumatic에서 ACM에 유입되는 공기 조절, Solenoid A/B/C의 자화에 의해 ON/OFF 및 Flow mode 결정
- TCV(Temp Control Valve) : Temp control(1차 control)
- STBCV(Standby Temp Control Valve) : TCV가 INOP될 경우 TCV 역할, anti-icing, de-icing 역할(condenser icing 방지)
- ACM(Air Cycle Machine) : 공기가 압축되면 압력·온도↑, 팽창되면 압력·온도↓ 원리를 이용
- PLENUM/DIFUSER ASSY : ram air가 Heat Exchanger를 통해 잘 배출되도록 하는 역할, 지상에서는 ram air 가 없기 때문에 터빈축과 연결된 Fan이 회전하여 공기를 빨아들임
- Primary, Secondary Heat Exchanger : ram air와 hot air의 고온, 고압의 공기가 만나 열 교환
- 온도 : Primary < Secondary
- Condenser : 공기 온도를 낮추어 수증기를 액체로 바꿈
- Reheater : ACM 터빈에 들어가기 전 COND air 온도를 높여 터빈 효율 높임
- Water Extractor Duct : COMP를 지나 Heat Exchanger에 냉각된 공기는 수분을 함유한 냉각공기로부터 수 분을 분리(gravity로 분리)
- Water Extractor : 저온저압 공기에서 물을 제거
- Mix manifold(Mixer) : 4곳에서 air가 들어옴(ENG1, ENG2, GRD AC CONN, Cabin에 들어간 air가 수직으로 다시 들어옴)
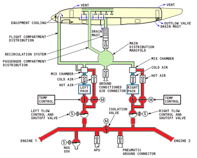
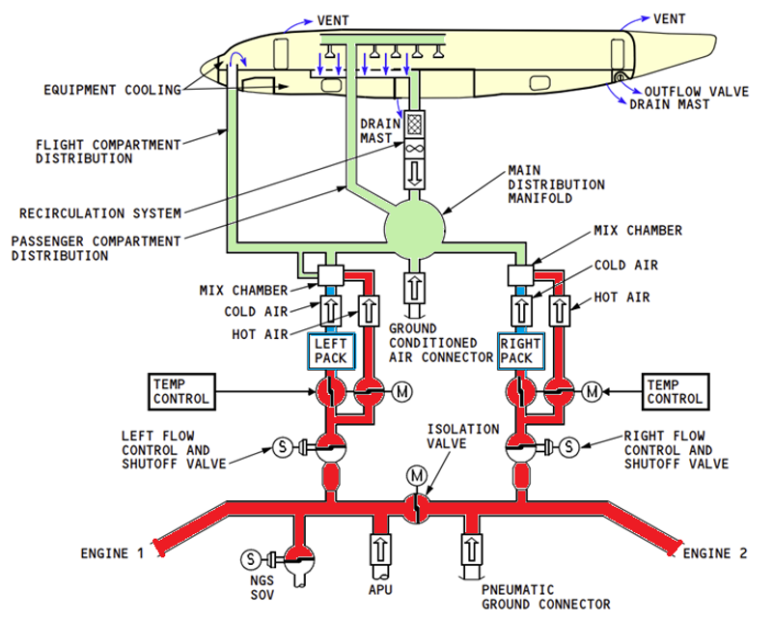
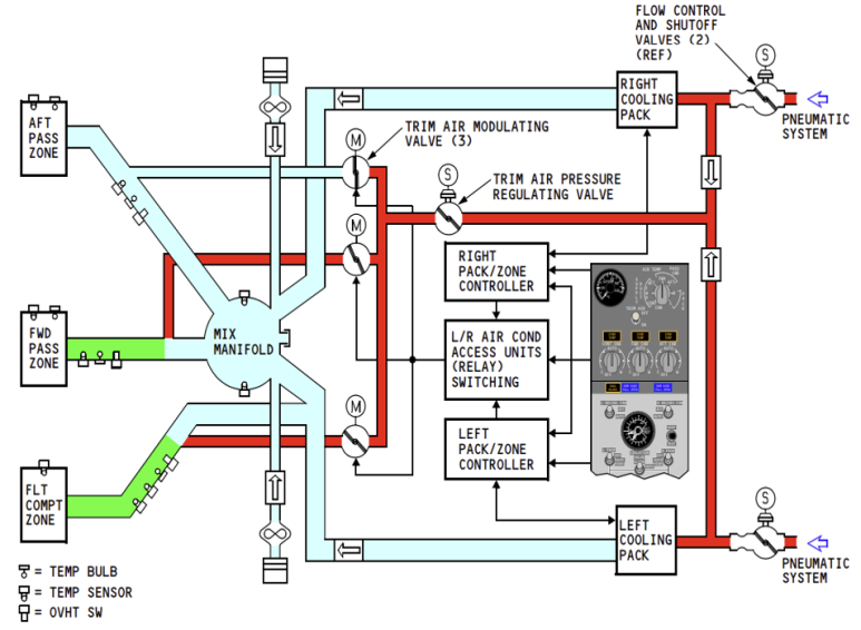
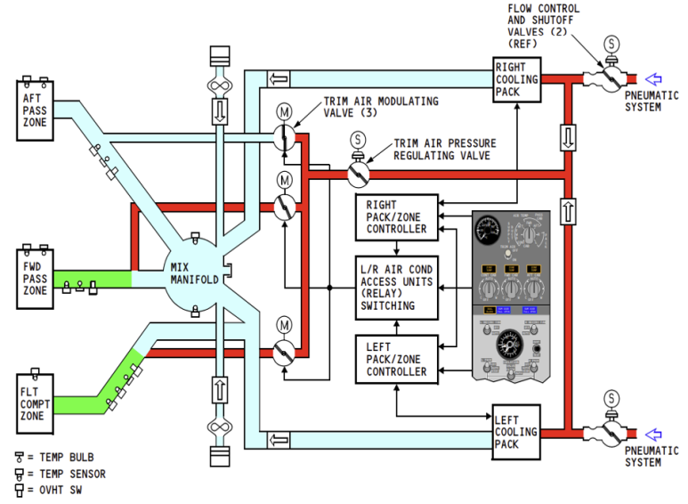
■ Distribution System
- FWD CGO 뒤편, Main distribution manifold(Mix manifold), Recirculation Fans(Fliters), GRD conditioned air connection
- 공급 : FLT COMP(Cockpit), AFT Cabin, FWD Cabin
- Cabin air source : 1pack(L), 2pack(R), GRD AC CONN(에어컨카), Recirculation pack
- PACK V/V → Cooling Pack → Mix manifold(Isolation V/V 통해 Pack 1개 죽어도 살릴 수 있음)
- Cockpit, Cabin Temp control : cooling pack에서 1차 control, bleed air(trim air)를 modulating v/v로 control
- Cabin Temp Control : Cabin TEMP Panel의 PACK/ZONE TEMP Controller가 ACAU와 인터페이스를 통해 control

■ Equipment Cooling System
- 목적 : FLT Compartment, E/E Compartment 냉각
- 객실 air를 2개의 supply fan으로 빨아들여 cooling하고 Exhaust Fan을 통해 밖으로 vent or FWD Cargo floor로 보냄

■ Temperature Control
- 목적 : Passenger Compartment, FLT Compartment 온도 조절
- Trim air(bleed air) modulating V/V, Trim air(bleed air) pressure regulating V/V로 control
- PACK/ZONE TEMP controller가 control
※ Temp control 흐름
1. pneumatic system → Pack V/V(FCSOV) → Cooling Pack → Mix manifold
2. pneumatic system → Pack V/V(FCSOV) → Trim air pressure regulating V/V → Trim air modulating V/V → Mix manifold → FLT COMP(Cockpit), AFT Cabin, FWD Cabin에 공급

■ Heating System
- 목적 : warm air를 통해 온도증가 or 어는 것을 방지
- Entrance door : 총 4개(Entrance 2개, service 2개) -> electrical heater로 heating
- Emergency Exit door : Heater Blanket으로 heating
- Cargo door(FWD, AFT) : Equipment cooling exhaust, Passenger air로 heating

■ Pressurization
- 목적 : 항공기 고도를 안전한 고도로 유지시켜 hypoxia 방지
- Cabin Pressure Control System
- outflow valve(CPC)를 통해 Cabin에서 air가 나오는 속도를 조절
- CPC : E/E Compartment에 위치
- CPC 1 : ELEC Motor
- CPC 2 : ELEC Motor
- CPC : Manual Motor
- Cabin Pressure Relief System
- Positive Relief V/V(2개, overpressure 방지), Negative Relief V/V(1개)를 통해 overpressure와 negative pressure를 방지해 항공기 손상 방지
- positive relief v/v : 객실고도가 비행고도보다 낮을때 객실의 압력을 외부로 배출시켜주는 밸브 (객실압력>외기압력)
- negative relief v/v : 객실고도가 비행고도보다 높을때 외부의 압력을 객실로 유입시켜주는 밸브 (객실압력<외기압력)
- Takeoff 시 negative relief v/v open → Pressure Bump 방지
- Cabin Altitude(객실고도)
- A/C가 몇 ft에 있던지 객실고도는 8,000ft(10.92psi) 유지
- 객실고도가 대기압과 같으면, Outflow V/V open(A/C가 GRD에 있을 때)
- Cabin Pressure Indication & warning System
<Cabin Pressure Control module>
- mode selector “AUTO” : 설정된 FLT ALT대로 CPC가 auto로 control
- mode selector “ALTN” : CPC1이 작동하는 중이면 CPC2로 바뀌줌
- mode selector “MAN” : 토글 S/W로 Outflow V/V control(cockpit leak check 시 use)

'Aviation > System' 카테고리의 다른 글
| [ATA.76~79] Engine Control and Indicating, Exhaust, Oil (0) | 2024.06.02 |
|---|---|
| [ATA.26] Fire Protection (0) | 2024.06.02 |
| [ATA.35] Oxygen System(산소계통) (0) | 2024.06.02 |
| [ATA.73~75] ENG Fuel, IGN, Air System(엔진 연료계통, 점화계통, 공기계통) (0) | 2024.06.02 |
| [ATA.70~72] Engine System(엔진계통) (0) | 2024.06.01 |