■ Engine Control(ATA.76)
- 구성 : FWD Thrust Lever, Reverse Thrust Lever, Interlock Latch, Reverse Thrust Interlock Solenoid, Resolver, Autothrottle Assembly, Rod, Start Lever

- Thrust Lever
- lever가 작동하면 thrust lever resolver를 통해 EEC로 thrust command signal을 보냄
- TO/GA LEVER : Take off, Go Around 시
- A/T Disengage button

- Interlock Latch
- FWD Thrust Lever와 Reverse Thrust Lever가 동시에 작동하는 것을 예방
- Thrust Lever가 작동하면 Thrust reverser가 작동안되게 해줌
- Reverse Thrust Interlock Solenoid
- Reverse Thrust Lever 작동 시 바로 reverser가 작동되면 안되는데 reverse thrust lever 작동을 제한하는데 사용
- thrust reverser sleeve가 full deployed position이 될 때까지 reverse thrust 작동X
- Resolver
- FWD Thrust Lever와 Reverse Thrust Lever의 작동을 analog thrust lever resolver angle(TRA) signal로 바꿔 줌, 이 signal을 EEC로 보내주고 EEC는 이 signal을 통해 ENG control
- Autothrottle S/W Pack
- 9개
| S1 | Auto ground Speed brake Control and L/G warning |
| S2 | Auto Brake System |
| S3 | Auto Brake System |
| S4 | Engine Thrust Reverser Synchronous Shaft Locks |
| S5 | Engine Thrust Reverser Control |
| S6 | Engine Thrust Reverser Control |
| S7 | Wing Thermal Anti-ice System |
| S8 | Aural Warning - Take off Warning and Weather Radar Gives |
| S9 | Landing Gear Warning |
- Reverse Thrust Interlock Solenoid
- sleeve가 어떤 한 쪽이든 60% deploy된 경우 solenoid 자화되서 Reverse Thrust가 작동된다
- PWR : 28V DC BAT BUS
- Start Lever
- “Idle” position : IDG Disconnect, FDAU와 CDS/DEUs에 PWR 공급, ENG Start Lever RLY Idle position, Ignition PWR(115V AC) 공급, ENG fuel shutoff V/V, spar V/V에 PWR 공급, Fuel Control System(HMU, Fuel control panel)에서 Start Lever position logic 받음

■ Engine Indicationg(ATA.77)

- Primary ENG Display
- N1, EGT, Fuel Flow(FF), Fuel LB, TAT(Total Air Temperature), ENG 관련 light
- Secondary ENG Display
- N2, Vibration, Oil pressure, Oil temperature, Oil quantity, Fuel Flow(FF)
- N1, N2 계기 다른점
- 거의 비슷 but N1은 기본 파라미터로 N1이 thrust control하는 파라미터라서 N1에만 N1 reference bug, N1 command 등이 더 있다

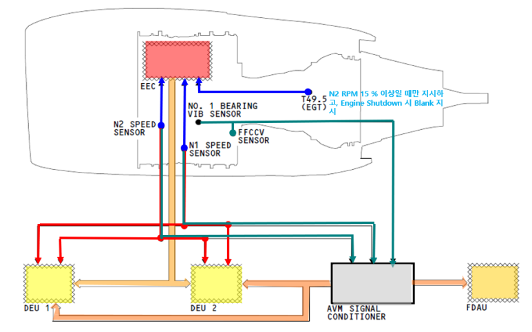
- EEC
- N1, N2, Speed Sensor, T49.5(EGT)를 받아서 DEU로 보내줌
- N1, N2, Speed Sensor는 EEC를 안거치고 바로 DEU로 가기도 한다
- ENG Fail 메시지
- EGT에 표시, N2<50% 순간에 early warning(amber LT)
- EGT
- thermocouple 8개(2개가 1쌍) : harnesse 4개, Junction box 4개
- 각 thermocouple의 평균값이 Junction box로 가서 EEC와 연결(교류) → EEC에서 DEU로 보내줌
- EGT는 평균값을 지시한다
- N2 15% 이하 시 지시X
- Hot Start(EGT 규정값 초과) 감지 시 White Blinking
- AVM(Airborne Vibration Monitoring) SIGNAL CONDITIONER
- N1, N2, Speed Sensor, No.1 Bearing Vibration Sensor, FFCCV Sensor에서 VIB signal을 받아 DEU와 FDAU로 보내줌
- No.1 Bearing : N1(LPC-LPT)에 물려있음, LRU아님, Shop정비임(SRU)
- FFCCV : Fan flame 쪽 VIB(HPC-HPT)
- Display 값은 LPC, HPC, LPT, HPT 중 가장 높은 값을 지시

■ Exhaust(ATA.78)
- Turbine Exhaust System
- Exhaust nozzle : 배기가스 속도 증가, 추력 증가 역할
- Exhaust corn : 배기가스 일직선 역할

- Thrust Reverser System
- Reverse Thrust Lever로 Reverser 작동 -> sleeve가 열리고 Fan Air가 앞으로 Exhaust
- 구성 : Fan cowl, Translating sleeve, Strut, Exhaust nozzle, Exhaust plug
- position : T/R STOW position, T/R DEPLOY position
- T/R 작동조건 : A/C 10ft(3m) 이하에 있어야 reverser 작동, Fire handle down, 28V DC PWR

- T/R cowl
- manual open, hand pump open
- hand pump로 open 시 Rod에 Red band(lock position)에 있는지 check)
- T/R cowl open 주의사항 : deactivation, 바람 40knots 이상 시 X, manual로 open 시 HYD fluid가 줄어드 는데 open하는 PWR가 작아짐, Fan cowl panel fully open, T/R cowl open 시 T/R을 Deploy position으로 이동시키지 말 것
- REVERSER LT
- LT ON : T/R control system failure, Mechanical failure, T/R stow position(10초간)
- EAU(Engine Accessory Unit)
- 역할 : auto-restow operation control, trouble shooting, REVERSER LT control
- E/E에 위치
※ Thrust Reverser System Operating
- T/R DEPLOY
Reverse Thrust Lever 작동 → T/R1 Control S/W, Sync lock을 unlock → T/R control v/v module(HYD PWR 가 들어가서 HYD PWR를 control), autothrottle S/W pack, MIS EQUIP PANEL(sync lock PWR는 여기로 가서 reverser sync lock을 unlock) → 3개의 actuator가 동시에 작동하면서 deploy 시작 → deploy signal → LVDT → EEC → DEU → CDU → display
- T/R STOW
proximity sensor → EAU(stow position 작동을 돕고, REVERSER LT control) → T/R1 Control v/v module(HYD PWR를 control)

■ Oil(ATA.79)
- ENG Oil Servicing
- ENG Oil 양 Check : ENG Shut Down 후 5분~30분 사이에 check, 30분 지나면 dry motoring 해서 ENG oil pressure가 stable될때까지 구동시키고 보급, 허용된 오일 소모량을 초과하면 정비본부에 보고
- Oil Servicing : oil tank access door open → fill port 열고 → sight gauge 보고 양 check 후 port를 통해 보급 → ENG Oil 보급 후 양을 check list에 기록
- IDG Oil Servicing
- IDG Oil 양 check : ENG Shut Down 최소 5분 후 check, Fan cowl panel or IDG access panel open, sight glass를 깨끗한 천으로 닦기, sight glass 보기 전 최소 15초간 PUSH-TO-VENT V/V push
- Oil Servicing : Fan cowl panel or IDG access panel open -> 최소 15초간 PUSH-TO-VENT V/V push -> over pressure line, drain line 같이 연결해 pressure로 fill
- sight glass L, R이 다른 이유 : 날개가 위로 쳐든 상태라서
- Bearing
- Roller Bearing : Radial load 담당
- Ball Bearing : Radial load, Thrust load 담당
- FWD Sump : No. 1, 2, 3
- AFT Sump : No. 4, 5
- No.1 : Ball / No.2 : Roller / No.3 : Ball, Roller / No.4 : Roller / No.5 : Roller
- N1 Shaft : No.1, 2, 5
- N2 Shaft : No.3, 4
※ Oil Distribution
Oil Tank → anti-leackage V/V(Oil 새는 것 방지, 원래는 막혀있는데 ENG이 돌면서 spring 밀어줌) → Lubrication Unit(DMS unit : AGB, TGB, FWD sump, AFT sump에 문제가 있는지 check해줌) → AGB, TGB, FWD sump, AFT sump → DMS Detector(결함 check) → Scavenge Oil filter → Servo fuel heater → Main Oil/Fuel Heat Exchanger → Servo fuel heater → Oil Tank → Scavenge된 Oil 중 air는 Oil Tank에서 ENG쪽 으로 Vent(Vent air)

'Aviation > System' 카테고리의 다른 글
| [ATA.30] Ice&Rain Protection (0) | 2024.06.02 |
|---|---|
| [ATA.80] Engine Starting System (0) | 2024.06.02 |
| [ATA.26] Fire Protection (0) | 2024.06.02 |
| [ATA.21] Air Conditioning System (0) | 2024.06.02 |
| [ATA.35] Oxygen System(산소계통) (0) | 2024.06.02 |